-
AutoCad cotas en milesimas -?
Bueno, ya busque algo al respecto y no encontré. Más sin embargo, pienso que si hay quien trabaje en milésimas. No quiero entrar en debate (ya leí los post) en cuanto como es más cómodo trabajar.
Yo personalmente trabajo en la que creo es más cómoda en centímetros, porque no trabajo cosas grandes como lo es un plano que sería mejor trabajarlo en metros.
Ni piezas tan pequeñas para trabajar en milímetros.
Pero en ocasiones es necesario, como en este caso, si no bien hacerlo sí, por lo menos preguntar si es posible hacerlo, a lo cual repito si lo creo posible.
He aquí el detalle.
Necesito trabajar esta escala que una unidad sea una pulgada o sea 1,000 milésimas, de paso aprovecho para preguntar como abreviar eso milésimas.
Y aquí lo necesario en la cota que, por ejemplo, algo es menor a la unidad se represente con.750 ejemplo ó.625.
Es todo. Gracias de antemano.
Y un saludo desde Guadalajara/Jalisco/México.
-
AutoCad cotas en milesimas -?
Primero que nada deberías cambiar la unidad de medida a pulgadas y luego en modificar cotas, darle las unidades que desees.
Y que viva Jalisco.
-
AutoCad cotas en milesimas -?
Que yo se sepa una pulgada no es igual a una milésima. O te has explicado muy mal o creo que tienes un confusión muy grande con las medidas.
Es más, una milésima puede ser:
Una milésima parte de un metro, con lo que sería 1 milímetro o puede ser una milésima parte de un milímetro, por ejemplo, con lo que sería una millonésima parte de un metro.
Pero partiendo y suponiendo que lo que quieres es trabajar en milímetros, solo tienes que elegir esa unidad de trabajo y a partir de ahí, si quieres escribir 3 milímetros solo tendrás que escribir 3, si quieres escribir 36 milímetros, solo tendrás que escribir 36 y si quieres escribir 564 milímetros, solo tendrás que escribir 564, no sé, vuelvo a pensar que no tienes nada claro el tema de las unidades.
-
AutoCad cotas en milesimas -?
Una pulgada son mil milésimas, 1,000 milésimas. Si, entiendo que para el programa solo son unidades. Quien realiza el dibujo especifica que unidad de medida representa cada unidad.
Lo mismo a la hora de la representación en una impresión, si se imprime a escala.
Como digo nunca he trabajado en pulgadas, menos en milésimas.
Es por eso que pregunto al querer representar la cota con menos de la unidad, queriendo representar en la cota. 500 ó.750.
Quizá no sea posible.
Posdata: sí, quizá esté equivocado, pero por eso pregunto.
-
AutoCad cotas en milesimas -?
Cita:
Una pulgada son mil milésimas, 1,000 milésimas.
Con todos los respecto, qué burrada más grande acabas de escribir.
Una pulgada no son mil milésimas, una pulgada equivale a 2.54 centímetros, con lo que si pasamos los centímetros a milímetros resulta que una pulgada es igual 25.4 milímetros.
1 pulgada = 0.254 metros.
1 pulgada = 2.54 cm.
1 pulgada = 25.4 mm.
-
AutoCad cotas en milesimas -?
Si, tus conversiones están más que bien en metros, centímetros y milímetros, pero. Cuantas milésimas tiene una pulgada?
-
AutoCad cotas en milesimas -?
Cita:
Con todos los respecto, qué burrada más grande acabas de escribir. Una pulgada no son mil milésimas, una pulgada equivale a 2.54 centímetros, con lo que si pasamos los centímetros a milímetros resulta que una pulgada es igual 25.4 milímetros.
1 pulgada = 0.254 metros.
1 pulgada = 2.54 cm.
1 pulgada = 25.4 mm.
Bueno, una pulgada sí son mil milésimas, de pulgada.
-
AutoCad cotas en milesimas -?
Cita:
Si, tus conversiones están más que bien en metros, centímetros y milésimas, pero. Cuantas milésimas tiene una pulgada?
Si con lo que te he puesto más arriba no eres capaz de deducirlo tú, mal lo vas a pasar trabajando.
-
AutoCad cotas en milesimas -?
Cita:
Bueno, una pulgada sí son mil milésimas, de pulgada.
Llegó el mariquita de turno. Anda, acláraselo tú, que a mí me da risa.
-
AutoCad cotas en milesimas -?
Cita:
Si, tus conversiones están más que bien en metros, centímetros y milímetros, pero. Cuantas milésimas tiene una pulgada?
Releyendo tu mensaje, ¿en qué estás trabajando? En nano circuitos, lo digo porque no sé que estarás dibujando para tener que medir en milésimas supongo que, de milímetro, porque si son milésimas de metro, esto son los milímetros.
-
AutoCad cotas en milesimas -?
Bueno, olvidémonos de las pulgadas y milésimas. Me pongo ahora en esto. Un círculo de diámetro 1,000 mil unidades. Lo acoto, ok.
Ahora acotar el radio, y que la cota me marque. 500.
Para eso entiendo que tengo que decirle al programa que mi entero o unidad es igual a 1000.
Así como por default es 1.
Si tengo mi círculo de diámetro 1.
Lo acoto ok.
Acoto el radio y en efecto me marca 0.5.
-
AutoCad cotas en milesimas -?
Son piezas torneadas, trabajadas en Torno. Y los trabajadores (torneros) no manejan otra unidad más que milésimas. No son tan pequeñas como las imaginaste.
-
AutoCad cotas en milesimas -?
Cita:
Son piezas torneadas, trabajadas en Torno. Y los trabajadores (torneros) no manejan otra unidad más que milésimas.
No son tan pequeñas como las imaginaste.
A ver, no sé si en tu país se puede dar esta connotación que se da aquí, pero aquí en España, si hablamos de milímetros estamos hablando de la milésima parte de un metro, pero también podemos hablar de la milésima parte de un milímetros, con lo que milésima en realidad no es una medida, supongo que, tú de lo que hablas en tu trabajo es de milímetros, lo cual, vuelvo a insistir, no tiene nada que ver con milésima.
Ahora volvamos a tu trabajo en AutoCAD, si defines las unidades de trabajo en milímetros, o sea, te vas al menú formato->unidades y ahí eliges como unidad de trabajo el milímetro, cuando vayas a dibujar algo que mida 50 milímetros, tendrás que escribir 50 y si vas a dibujar algo que mida 68.7 milímetros, tendrás que escribir 68.7 y cuando vayas a acotar un círculo cuyo diámetro es 1 milímetro, el radio de ese círculos era 0.5 milímetros, tú no tendrías que hacer nada especial para acotar de esa forma, el programa lo hace solo.
No sé si me explico.
-
AutoCad cotas en milesimas -?
Vaya, ahora veo que no me expreso ni explico bien. Son milésimas de pulgada. Soy de México, y aquí si se usan, así como te digo. Pido disculpas amigo. Déjame, reviso eso que me dices.
-
AutoCad cotas en milesimas -?
Bueno, pues parece que nos vamos aclarando un poco. Entonces tú ¿cómo escribes lo que mide una pulgada? Porque si escribes 1, pues una milésima de pulgada sería 0.001.
-
AutoCad cotas en milesimas -?
Bien, retomo mi ejemplo del círculo, que creo es muy practico. Sin unidades de medida, cm ni nada. Ejemplo: Quiero dibujar un círculo de diámetro mil (1000) <- (esto sería para mí la pulgada).
Acotarlo y me marque mil (1000), vaya, que complicado. (sarcasmo hacia mi).
Y que al acotar el radio la cota me marque. (.500).
Sin modificarla manualmente.
Lo que entiendo que tengo que hacer es especificarle al programa que tome como unidad de medida o entero 1000.
Para que cuando acote algo que mida menos de mil me ponga el punto del radio.500.
-
AutoCad cotas en milesimas -?
El tema es que mezclas pulgadas y milímetros, porque para que el programa entienda como unidad de medida 1000 (ya sean milímetros, centímetros), tendrás que decirle que la unidad sea el milímetro, aunque también puedes especificar que trabaje sin unidad, con lo que podrás medir como te de la gana, el problema vendrá cuando vayas a imprimir, averiguar a la escala que tendrás que hacerlo.
Disculpa, pero sigo pensando que hay algo que no tienes claro respecto a las medidas, y te digo esto porque estas diciendo que quieres poner un diámetro que mide 1000 y quieres que el radio te ponga 0.500 y es erróneo, si el diámetro mide 1000, el radio medirá 500 y no 0.500. ¿lo ves ahora?
-
1 Archivos adjunto(s)
AutoCad cotas en milesimas -?
Cita:
Son milésimas de pulgada.
El mariquita de turno tenía razón. A ver, nitro, creo que esto es lo que estás buscando:
https://foro3d.com/attachment.php?at...1&d=1234204530
Sirve para milímetros, pulgadas, hectómetros y años luz, entre otras unidades de longitud.
-- IMÁGENES ADJUNTAS --
https://foro3d.com/attachment.php?attachmentid=94259
-
AutoCad cotas en milesimas -?
Si, ahora veo que prácticamente es imposible. Pero teóricamente lo creía posible. Decirle que me cuente en mil así dos sería 2mil, y medio serían sí, en efecto 500, pero al ser menos de la unidad que le digo que me cuente entonces usaría el, para representar la mitad como.5 o en este caso.500.
Olvidémoslo. Gracias por tu tiempo.
-
AutoCad cotas en milesimas -?
Si Fiti, hay tienes razón, pero fíjate que lo que nitrones quiere es establecer una unidad de medida (la que sea) que sea igual a 1000 y quiere que cuando la medida se la mitad de 1000 el programa ponga 0.500, es incongruente, aparte de imposible.
-
AutoCad cotas en milesimas -?
Completamente de acuerdo con Franksolo, no hay nada más que aclarar.
-
AutoCad cotas en milesimas -?
Y festeja tu cumpleaños contando tu edad por amigos no por años. Ese poema lo puse en el souvenir de mi suegra en sus 50 años, pero no recuerdo de quien era.
Posdata: ah. Perdón, cambiando de tema.
-
1 Archivos adjunto(s)
AutoCad cotas en milesimas -?
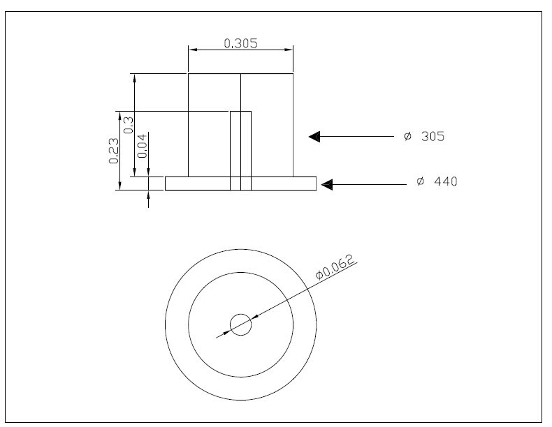
Sin duda el scale factor era la solución, amigo, he podido hacer lo que quería. Ahora ando viendo como rellenar los campos.
Que también lo creo posible (hay voy de nuevo).
Decirle que me llene un # de campos en el número.
Ejemplos, 4 campos, así para 1 y rellenar los campo me pondría 1.000.
No creo que el punto me ocupe un campo, si es así, entonces serían 5 campos.
Ahora en la cota de 0.04 al tener que rellenar los campos pondría 0.040.
En 0.23 - 0.230.
Es es lo que necesito.
Pero ya estoy más que conforme, si no se pudiera.
He modificado la tolerancia en /linear dimension / precisión, pero no me lo respeta. Gracias.
-- IMÁGENES ADJUNTAS --
https://foro3d.com/attachment.php?attachmentid=162140
-
2 Archivos adjunto(s)
AutoCad cotas en milesimas -?
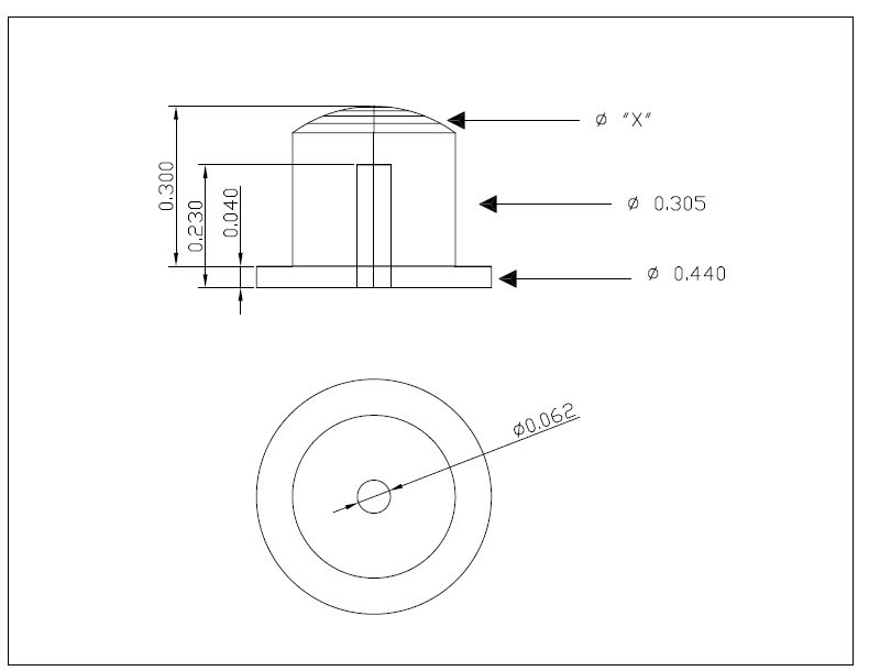
Bueno, otra vez yo. Pero ahora con la solución, que, pues no estaba tan difícil. Para trabajar en milésimas (de pulgada) - Gracias Frank solo.
El scale factor en : 0.001 - (que especifica que son milésimas) gracias de nuevo.
El Fiti.
Precision : 0.000.
Y desactivamos la supresión de ceros a la derecha.
Archivo adjunto 162138
E aquí el resultado.
Archivo adjunto 162139
-- IMÁGENES ADJUNTAS --
https://foro3d.com/attachment.php?attachmentid=162138
https://foro3d.com/attachment.php?attachmentid=162139
-
AutoCad cotas en milesimas -?
Cita:
Sin duda el scale factor era la solución, amigo, he podido hacer lo que quería. Ahora ando viendo como rellenar los campos.
Que también lo creo posible (hay voy de nuevo).
Decirle que me llene un # de campos en el número.
Ejemplos, 4 campos, así para 1 y rellenar los campo me pondría 1.000.
No creo que el punto me ocupe un campo, si es así, entonces serían 5 campos.
Ahora en la cota de 0.04 al tener que rellenar los campos pondría 0.040.
En 0.23 - 0.230.
Es es lo que necesito.
Pero ya estoy más que conforme, si no se pudiera.
He modificado la tolerancia en /linear dimension / precisión, pero no me lo respeta. Gracias.
Sin duda, esta forma de acotar se presta a la confusión.
No término de entender porqué las medidas líneas tienen que acotarse con una notación distinta a la de los diámetros.
-
1 Archivos adjunto(s)
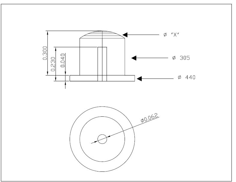
AutoCad cotas en milesimas -?
Tienes razón una vez más el error es mío. Esta es la correcta.
-- IMÁGENES ADJUNTAS --
https://foro3d.com/attachment.php?attachmentid=162032
-
AutoCad cotas en milesimas -?
Ok, ahora sí que está claro y la solución era lo que comentaba Fiti.
-
2 Archivos adjunto(s)
AutoCad cotas en milesimas -?