Cita:
Ese colectivo guitarrero de 3dpoder. Paso a contestaros: Claro que me ánimo, pero no se termina de apreciar bien la guitarra que has puesto, si puedes poner una fotografía en algo más de resolución y en color, o simplemente decirme el modelo y características, la pala ya veo que es diferente, parecida a la de los 70.
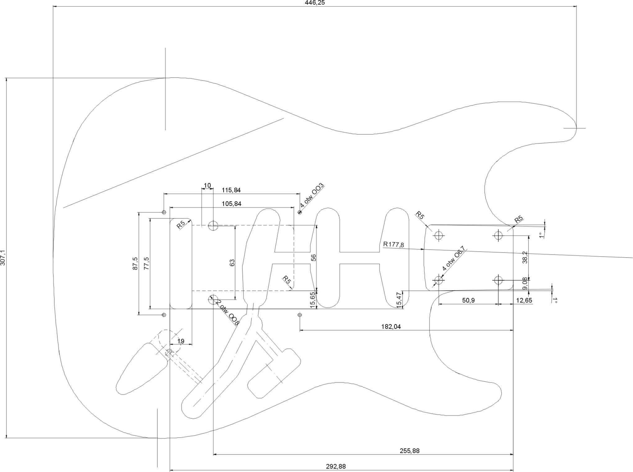
Con respecto a lo del proceso no sé muy bien a lo que te refieres, si a detalles de las mallas de cada uno de los componentes de la guitarra o al paso a paso desde el comienzo de su creación (esto último creo que sería más complicado a estas alturas, habiendo sido además un proceso de aprendizaje en el que he ido adelante y atrás en numerosas ocasiones). De momento lo que puedo hacer es ponerte los blueprints que usé en principio para modelar (faltan el de algunos detalles como el puente, el clavijero, en estos casos me fui fijando en fotografías que encontré por internet y en mí propia Fender, que, si no lo he dicho aún es como la de la derecha del todo de la composición).
De momento a ver si término con la idea que tengo para la strato, aunque no lo descarto para nada, he disfrutado mucho con este trabajo y seguro que en un futuro próximo me pongo con otros modelos de guitarra (la jem de Steve Vai sería una opción muy apetecible), de todas formas, había en el foro un mensaje en el que se modelaba una ibanez, estoy buscando el enlace, pero no lo encuentro, en el buscador por ibanez ya no sale nada, no sé que habrá pasado con ese hilo, pero estaba genial.
Gracias por los Blue Prints.